IronCAD 2026 Release
IronCAD 2026 značne vylepšuje podporu CAD návrhárov v oblasti výroby priemyselných zariadení, strojov a oceľových konštrukcií, prináša výkonné funkcie zvyšujúce produktivitu, zefektívňujúce pracovné postupy a zvyšujúce presnosť navrhovania. Prinášame podrobný popis nových funkcií verzie 2026, pričom zdôrazňujeme ich funkčnosť a výhody, ktoré sú aktuálne pre verziu 2026. .
Vylepšenia aplikačného rozhrania
Podpora viacerých monitorov pre scény aj výkresy
Optimalizácia výkonu pri práci s veľkými zostavami
Dostupnosť doplnku inteligentného kótovania a popisovania
Rýchle zobrazenie a úprava parametrov
Zrkadlenie dielu /zostavy ako externe prepojeného súboru
Príkaz Prevrátiť smer vysunutia (Ctrl-F)
Zoznam vylúčení kolizií s podporou zástupných znakov
Jednotky založené na objeme s hmotnosťou
Presúvanie viacerých výberov do katalogu ako jednotlivé položky
Vytvorenie vlastností diery pre skrutky
Vylepšený výber oblasti náčrtu
Podpora pre zaoblenie s plným polomerom medzi rovnobežnými čiarami
Samostatné tlačítko pre premietnutie väzieb
Náčrt – Odstránenie zdrojovej čiary po odsadení
2D TriBall pre ICD umiestňovanie
Inteligentný kurzor pre popisy v ICD
Vylepšenia podpory konfigurácie hromadných výkresov.9
Nástroj na automatické kótovanie – Vylúčenie začiatočných a koncových bodov Oblúku/Zaoblenia
Automatické kótovanie – Vylúčenie začiatočných a koncových bodov skosenia
Automatické kótovanie – Vylúčenie skrytej geometrie
Automatická značka stredu – vylúčenie zaoblení
Automatické kótovanie – Zoskupovanie rovnakých otvorov
Automatické nastavenie zamerania sa na úpravu textu popisov
Odstránenie automatických rozstupov v textových poliach pri zväčšení
Výber štýlu pred umiestnením inteligentných kót
Vylepšená kvalita loga pri exporte do PDF
Príliš veľký text kóty v prehliadači vlastností
Podpora posúvania medzi kartami výkresov pomocou šípok
Nastavenie predvoleného priečinka pre hromadné vytváranie výkresov (BDC)
Rezový pohľad na základe percenta geometrickej hranice
Presúvanie položiek katalógu ťahaním: Umožnenie úpravy textu po vložení
Zobrazenie dĺžky potrubia v kusovníku
Vylepšenia návrhu plechových dielov
Lemy rohov plechových dielov v trojrohových podmienkach
Invertované ohyby na hranách plechov
Presunutie viacnásobných ohybov podľa náčrtu so zachovaním rozstupov
Prerušenie čiary ohybu v blízkosti výrezov
Čiara rezu ohybu podľa náčrtu začínajúca oblúkom
Prepísanie globálneho prídavku na ohyb na úrovni dielu
Vylepšenia štruktúrovaného návrhu dielov, PMI a 3D kriviek
3D krivka – Väzba na stredový bod
Nástroj na migráciu pre nové verzie
Chatbot s umelou inteligenciou podporuje integráciu viacerých databáz pre znalosti v danom odvetví
Maximalizácia okna chatbota s umelou inteligenciou
Zatvoriť všetky dokumenty – Zahŕňa ICC súbory katalógu
IronCAD Architectural Translator
Vylepšenia aplikačného rozhrania
Kľúčové zmeny funkcií rozhrania IronCADu zlepšujúce všeobecné pracovné postupy pri navrhovaní v IronCADe
Podpora viacerých monitorov pre scény aj výkresy
Popis: IronCAD 2026 umožňuje užívateľom otvoriť 3D scénu na jednom monitore a 2D výkres (ICD alebo CAXA DRAFT) na inom, pričom každý má svoje vlastné užívateľské rozhranie na lište s nástrojmi. Zmeny vykonané v scéne sa okamžite prejavia vo výkrese jediným kliknutím, čím sa eliminuje potreba prepínať medzi dokumentmi alebo meniť konfiguráciu užívateľského rozhrania.
Prínosy:
- Umožňuje súčasnú prácu v 3D aj v 2D.
- Vďaka aktualizáciám v reálnom čase zrýchľuje process návrhu.
- Vďaka prispôsobeným pásom s nástrojmi pre každý pracovný priestor spríjemňuje ovládanie systému.
- Ideálne pre návrhárov priemyselných zariadení, pracujúcich s rozsiahlymi zostavami a detailnými výkresmi.
Optimalizácia výkonu pri práci s veľkými zostavami
Popis: Pri práci s veľkými zostavami vylepšené optimalizované algoritmy vykresľovania a interakcie znižujú oneskorenie pri zoome, posune, úprave alebo aktualizácii rozsiahlych zostáv dielov na minimum.
Prínosy:
- Umožňuje rýchlejšiu manipuláciu s modelmi veľkých strojných celkov.
- Minimalizuje prestoje pri navrhovaní zložitýách zostáv.
- Umožňuje ešte viac rozširovať projekty priemyselných zariadení s tisíckami dielov.
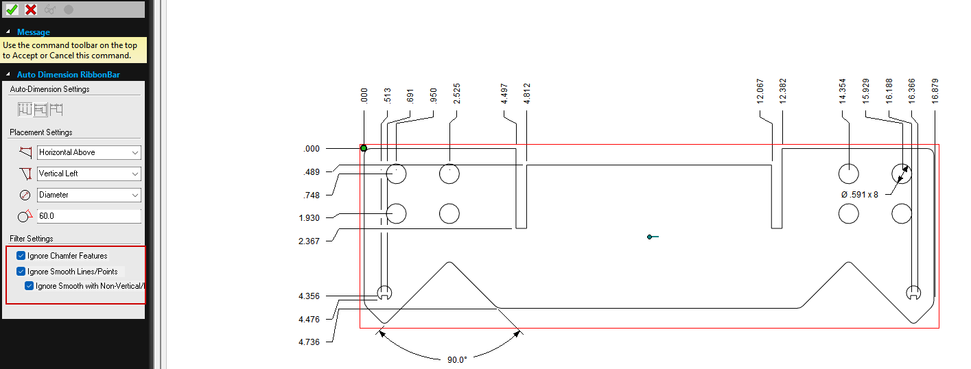
Dostupnosť doplnku inteligentného kótovania a popisovania
Popis: IronCAD uvádza na trh nový doplnok poskytujúci nové automatizované funkcie kótovania (inteligentné anotácie), kde majú užívatelia presnejšiu kontrolu nad automaticky generovanými popismi. Vďaka tomu môžu užívatelia pridávať k objektom konkrétne kótované miesta, ktoré môžu podporovať úpravy modelov alebo nové komponenty v položkách, ako sú vzory. Tieto body je možné použiť pre automatické kótovanie pomocou funkcie automatického kótovania, ale s vysokou presnosťou. Okrem toho užívatelia môžu automaticky načítať informácie v konkrétnych miestach,čím presahujú možnosti kót. Táto nová funkcia ponúka novú úroveň možností, vyžaduje síce ďalšie znalosti o implementovaní funkcie ale umožňuje naplno využiť aj existujúce funkcie, ako napríklad hromadné generovanie výkresov. S touto funkciou môžete dosiahnuť skok v produktivite v procese rozkresľovania tým, že značne rýchlejšie pripravíte všetky výkresy potrebné pre výrobu.
Prínosy:
- Zrýchľuje tvorbu výkresov vďaka inteligentnejšej automatizácii.
- Redukuje manuálne čistenie výkresov priemyselných zariadení a výroby.
- Zlepšuje čitateľnosť a súlad s výrobnými normami.
- Šetrí čas minimalizovaním potreby kontrolných kót.
Obecné vylepšenia modelovania
Vylepšenia obecných možností 3D modelovania v IronCADe sú zamerané na zvýšenie produktivity a posilnenie podstaty funkčnosti a možností príkazov IronCADu..
Rýchle zobrazenie a úprava parametrov
Popis: Pridáva možnosť „Rýchla úprava“ do tabuľky parametrov pre zobrazenie a úpravu riadiacich parametrov (napr. dĺžka, šírka, polomer) prostredníctvom popisov odkazov zobrazených na dieloch/zostavách v 3D scéne po výbere. Užívatelia môžu zaškrtnúť políčko, aby sa pri výbere dielov, zostáv alebo prvkov zobrazili editovateľné hodnoty.
Prínosy:
- Urýchľuje parametrické úpravy návrhu dielov.
- Redukuje používanie tabuliek parametrov na minimum, čím zvyšuje efektivitu pracovného procesu.
- Umožňuje konštruktérom vykonávať presné zmeny za chodu.
- Zjednodušuje iteračný návrh pre užívateľské strojné komponenty.
Zrkadlenie dielu /zostavy ako externe prepojeného súboru
Popis: Podporuje zrkadlenie dielov a zostáv ako samostatných, externe pripojených súborov a zároveň zachováva aktualizačné prepojenia s originálom. Zahŕňa vylepšené používateľské rozhranie na rozlíšenie prepojení a spracovanie zmeny polohy..
Prínosy:
- Zjednodušuje vytváranie zrkadlených dielov pre priemyselné celky.
- Znižuje chyby pri správe prepojených zrkadlených dielov..
- Zvyšuje efektivitu návrhu symetrických častí strojov.
- Šetrí čas automatizáciou aktualizácií prepojení.
Príkaz Prevrátiť smer vysunutia (Ctrl-F)
Popis: Konvertuje voľbu “Obrátiť smer vysunutia “ na príkaz dostupný prispôsobiteľnou klávesovou skratkou (predvolene: Ctrl-F).
Prínosy:
- Urýchľuje prispôsobovanie návrhu dielov priemyselných zariadení.
- Zvyšuje rýchlosť pracovného postupu vďaka rýchlemu prístupu z klávesnice.
- Spríjemňuje prácu pri častých úpravách vysunutia.
- Znižuje potrebu používania myši pri opakujúcich sa úlohách.
Zoznam vylúčení kolizií s podporou zástupných znakov
Popis: Vylepšuje nástroj Kontrola kolizií tak, aby umožňoval zadanie zástupných znakov (*) pre názov a hodnotu vlastnosti, čo umožňuje hromadné vylúčenie dielov na základe vlastností.
Prínosy:
- Zjednodušuje kontrolu kolizií pre veľké zostavy priemyselných zariadení.
- Minimalizuje manuálny výber vylúčených dielov, čím šetrí čas.
- Zvyšuje presnosť pri identifikácii kritických kolizií.
- Zvyšuje škálovateľnosť pre zložité konštrukcie strojov.
Jednotky založené na objeme s hmotnosťou
Popis: Prináša výpočty jednotiek založených na objeme, zahŕňajúcich hustotu materiálu a presahujú rámec meraní založených na dĺžke pre presnejšie hmotové vlastnosti.
Prínosy:
- Zlepšuje plánovanie materiálov pre projekty priemyselných zariadení a výrobu.
- Zvyšuje presnosť hmotnosti a pri odhadoch nákladov.
- Zjednodušuje dodržiavanie výrobných špecifikácií..
- Šetrí čas pri manuálnych výpočtoch hmotnosti.
Presúvanie viacerých výberov do katalogu ako jednotlivé položky
Popis: Pridáva možnosť presunúť viacero vybratých položiek (pravý klik a ťahanie) do katalógu ako možnosť vytvoriť samostatné entity alebo zoskupené položky.
Prínosy:
- Urýchľuje vytváranie katalógov pre opakovane použiteľné diely.
- Zvyšuje flexibilitu pri správe knižníc dielov.
- Znižuje počet manuálnych krokov pri organizovaní položiek katalógu.
- Zvyšuje efektivitu opakujúcich sa konštrukčných úloh.
Vytvorenie vlastností diery pre skrutky
Popis: Zabezpečuje, aby vlastnosti vzoru vytvorené pomocou nástroja IC Mech Bolt automaticky generovali zodpovedajúce otvory príslušných skrutiek.
Prínosy:
- Zjednodušenie vytvárania rozmiestnenia skrutiek pre zostavy kovovýroby.
- Znižuje manuálne vytváranie otvorov, čím šetrí čas.
- Vylepšuje konzistenciu v integrácii spojovacích prvkov.
- Zvyšuje presnosť výrobných výkresov.
IronCAD Disk CAM Generátor
Popis: Nový Disc CAM generátor v IronCADe umožňuje užívateľom rýchlo vytvárať modely s prispôsobiteľnými dráhami pohybu vrátane lineárnych, harmonických, cykloidálnych a polynomických možností. Môže sa použiť na generovanie vysunuteľných 2D náčrtov, čo uľahčuje rýchly a presný návrh pohybu strojárskych systémov.
Prínosy:
- Zrýchľuje návrh s flexibilným prispôsobením dráhy pohybu.
- Zvyšuje presnosť generovaním presných, extrudovateľných 2D náčrtov strojných systémov.
- Zjednodušuje pracovné postupy s intuitívnymi možnosťami pre lineárne, harmonické, cykloidálne a polynomické dráhy.
- Zlepšuje efektivitu návrhu zložitých mechanických zostáv vyžadujúcich vlastné modely.
Vylepšenia 2D náčrtu
V neustálej snahe zlepšovať funkčnosť tvorby 2D náčrtov vo verzii 2026 došlo ku značnému zvýšeniu výkonu pri používaní a tvorbe náčrtov.
Vylepšený výber oblasti náčrtu
Popis: Pre zložitejšie prípady výberu uzavretých hraničných oblastí je vylepšený výber oblasti náčrtu, pričom je v súlade s možnosťami aké ponúka aj Inventor či SolidWorks pre operácie vysunutia. IronCAD štandardne vyberie najvzdialenejšiu oblasť a posunutím výberu môžete vybrať vnútorné oblasti, ktoré sa majú zahrnúť do výberu.
Prínosy:
- Zjednodušuje vysunutie zložitých náčrtov pre diely.
- Redukuje manuálne čistenie náčrtov v neštandardných oblastiach.
- Zvyšuje flexibilitu pri vytváraní vlastných profilov strojov.
- Šetrí čas pri príprave náčrtov pre 3D modelovanie.
Podpora pre zaoblenie s plným polomerom medzi rovnobežnými čiarami
Popis: Nová funkcia v nástroji Zaoblenie umožňuje užívateľom jednoducho použiť pridať plné zaoblenie medzi dvoma rovnobežnými čiarami, podobne ako funkcia „Zaoblenie do plného kruhu“ v iných CAD systémoch.Spustite nástroj Zaoblenie, vyberte koncové body dvoch čiar a vytvorte oblúk s plným polomerom.
Hlavné prínosy:
- Zjednodušuje vytváranie plynulých prechodov profilov.
- Redukuje potrebu manuálneho konštruovania geometrie.
- Podporuje bežné návrhové vzory v strojárskych dieloch.
- Zvyšuje kompatibilitu pre užívateľov prechádzajúcich z AutoCADu.
Samostatné tlačítko pre premietnutie väzieb
Popis: Nástroj Premietnuť väzby má teraz v prostredí scény samostatné tlačidlo, vďaka čomu je viditeľnejší a prístupnejší.
Hlavné prínosy:
- Zvyšuje viditeľnosť kľúčového nástroja väzbenia.
- Podporuje konzistentné používanie premietnutia väzieb.
- Skracuje čas strávený navigáciou v rozbaľovacích ponukách.
- Zlepšuje pracovný postup pre modelovanie s väzbami.
Náčrt – Odstránenie zdrojovej čiary po odsadení
Popis: Užívatelia môžu teraz odstrániť zdrojovú čiaru ihneď po vytvorení odsadenia v prostredí náčrtu, čím sa zlepšuje flexibilita úprav.
Hlavné prínosy:
- Zrýchlenie čistenia a spresnenie náčrtu.
- Zníženie počtu manuálnych krokov pri úprave geometrie.
- Zlepšenie kontroly nad úpravami náčrtu.
- Zlepšenie použiteľnosti zložitých profilov.
Vylepšenia IronCAD výkresov
IRONCAD sa neustále zameriava na zlepšovanie prostredia pre kreslenie a dôraz kladie na zvyšovanie produktivity pri tvorbe detailných výkresov.Táto verzia nadväzuje na toto úsilie a prináša lepšiu podporu pre tvorbu a automatizáciu vďaka vylepšeniam hromadného vytvárania pohľadov a automatického kótovania.
2D TriBall pre ICD umiestňovanie
Popis: Prináša 2D TriBall pre presné umiestňovanie, kopírovanie a výtváranie polí (lineárnych, kruhových, bi-lineárnych) v ICD náčrtoch, kopírovaním funkčnosti klasického 3D TriBallu.
Prínosy:
- Zrýchľuje vytváranie 2D šablón pre výkresy
- Zvyšuje presnosť umiestňovania a replikácie objektov
- Zlepšuje konzistenciu práce medzi 2D a 3D postupmi.
- Šetrí čas pri opakujúcich sa úlohách skicovania.
Inteligentný kurzor pre popisy v ICD
Popis: Pridáva podporu pre inteligentný kurzor pre grafické zarovnanie počas vytvárania a úpravy popisov v ICD, čím sa zlepšuje presnosť umiestnenia.
Prínosy:
- Zvyšuje presnosť umiestňovania popisov pre výrobné výkresy.
- Znižuje manuálne úpravy zarovnávania, čím šetrí čas.
- Zlepšuje prehľadnosť výkresov pre súlad s výrobnými normami.
- Zjednodušuje pracovné postupy popisov pre zložité návrhy strojov.
Vylepšenia podpory konfigurácie hromadných výkresov
Popis: Vylepšenia hromadného vytvárania výkresov zahŕňajú podporu pre zobrazenia nastavení konfigurácií.To umožňuje definovať špecifické šablóny so stanovenou konfiguráciou, ktoré sa použijú v procese hromadného vytvárania pohľadov.Napríklad teraz môžete vytvoriť zobrazenie pre rozloženú konfiguráciu, ktorá sa automaticky umiestni po spustení nástroja.
Hlavné prínosy:
- Automatizuje opakujúce sa úlohy vytvárania pohľadov.
- Zvyšuje efektivitu pri generovaní rozsiahlych výkresov.
- Podporuje konzistentnú správu konfigurácie.
- Šetrí čas vo veľkoobjemových výrobných prostrediach.
Nástroj na automatické kótovanie – Vylúčenie začiatočných a koncových bodov Oblúku/Zaoblenia
Popis: Nástroj Automatické kótovanie obsahuje teraz možnosť ignorovať začiatočné a koncové body oblúkov a zaoblení tvarov, pričom sa namiesto toho pre jasnejšie kótovanie zameriava na stredy.
Hlavné prínosy:
- Redukuje neprehľadnosť v okótovaných výkresoch.
- Zosúlaďuje postupy kreslenia s normami
- Zvyšuje čitateľnosť popisov.
- Šetrí čas pri čistení výkresov.
Automatické kótovanie – Vylúčenie začiatočných a koncových bodov skosenia
Popis: Užívatelia môžu teraz vylúčiť začiatočné a koncové body skosenia z automatického kótovania, vďaka čomu môžu vytvárať premyslenejšie a relevantnejšie popisy.
Hlavné prínosy:
- Zabraňuje prekótovaniu prvkov.
- Väčšie zameranie na kritickú geometriu.
- Zlepšenie prehľadnosti výkresu.
- Zníženie manuálnych úprav.
Automatické kótovanie – Vylúčenie skrytej geometrie
Popis: Nové nastavenie bráni nástroju Automatické kótovanie v umiestňovaní popisov na skrytú geometriu alebo hrany.
Hlavné prínosy:
- Eliminuje mätúce alebo irelevantné kóty.
- Zlepšuje presnosť a prezentáciu výkresov.
- Znižuje potrebu manuálnych opráv.
- Podporuje osvedčené postupy v technickej dokumentácii.
Automatická značka stredu – vylúčenie zaoblení
Popis: Užívatelia teraz môžu z automatického umiestnenia stredových značiek vylúčiť geometriu polomerov a zamerať sa iba na celé otvory.
Hlavné prínosy:
- Zabraňuje zbytočným stredovým značkám na zaobleniach
- Zlepšuje prehľadnosť výkresov.
- Znižuje vizuálny šum v detailných pohľadoch.
- Zodpovedá priemyselným kresliacim normám
Automatické kótovanie – Zoskupovanie rovnakých otvorov
Popis: Nástroj teraz detekuje viac rovnakých otvorov a na okótovanie použije jednu kótu s množstvom (napr. 4 x Ø10) namiesto kótovania každého otvoru samostatne.
Hlavné prínosy:
- Znižuje počet rovnakých popisov.
- Zlepšuje čitateľnosť výkresu.
- Šetrí čas pri popisoch aj pri kontrole.
- Podporuje efektívnu komunikáciu s výrobcami.
Automatické nastavenie zamerania sa na úpravu textu popisov
Popis: Umožňuje automatické zameranie sa na úpravu textu pri presúvaní textových alebo odkazových popisov v ICD vrátane kontextových dialógových okien pre symboly zvarov.
Prínosy:
- Urýchľuje umiestňovanie popisov pre výkresy priemyselných zariadení.
- Znižuje počet kliknutí pri opakujúcich sa úlohách úpravy textu.
- Zlepšuje plynulosť pracovného postupu pri práci s veľkým objemom popisov.
- Zlepšuje užívateľskú skúsenosť vďaka intuitívnym úpravám.
Odstránenie automatických rozstupov v textových poliach pri zväčšení
Popis: Textové polia v IronCADe automaticky pridávajú rozstupy pri zväčšovaní.To spôsobuje problémy so zarovnaním a konzistentnými popismi detailov. Aby sa predišlo tomuto problému v novovytvorených textových poliach tieto rozstupy sa tam neopravia.
Hlavné prínosy:
- Zabraňuje nesprávnemu zarovnaniu a nekonzistentnému zobrazeniu výkresov.
- Znižuje námahu pri manuálnej zmene veľkosti.
- Zlepšuje konzistenciu anotácií a popisov.
- Zlepšuje čitateľnosť technickej dokumentácie.
Výber štýlu pred umiestnením inteligentných kót
Popis: Užívatelia si teraz môžu vybrať požadovaný štýl kóty alebo popisu pred jeho umiestnením do výkresu, podobne ako v AutoCADe.
Hlavné prínosy:
- Zrýchľuje pracovné postupy s popismi znížením počtu úprav po umiestnení.
- Zaisťuje konzistentné štýlovanie vo všetkých popisoch.
- Zlepšuje ovládanie a prispôsobenie zo strany užívateľa.
- Zvyšuje prehľadnosť a štandardizáciu výkresov.
Vylepšená kvalita loga pri exporte do PDF
Popis: Vylepšený export do PDF teraz zachováva vyššie rozlíšenie a vektorovú kvalitu log a grafických prvkov vložených do výkresov.
Hlavné prínosy:
- Zaisťuje profesionálnu kvalitu značky v exportovaných dokumentoch.
- Eliminuje zrnité alebo pixelované logá v súboroch PDF určených pre klientov.
- Zlepšuje vizuálnu čistotu v tlačenej aj digitálnej dokumentácii.
- Je v súlade so štandardmi firemnej identity.
Príliš veľký text kóty v prehliadači vlastností
Popis: Zmena mierky písma v prehliadači vlastností bola upravená tak, aby sa eliminoval nadrozmerný text, ktorý predtým spôsoboval, že polia boli nečitateľné.
Hlavné prínosy:
- Vylepšuje použiteľnosť rozhrania.
- Zaisťuje konzistentné prispôsobenie mierky textu v rámci prvkov užívateľského rozhrania.
- Zlepšuje prístupnosť pre všetkých užívateľov.
- Znižuje vizuálny neporiadok v dialógových oknách vlastností.
Podpora posúvania medzi kartami výkresov pomocou šípok
Popis: Užívatelia teraz môžu použiť klávesy Ctrl-Page Up/Down alebo gestá posúvania na rýchlu navigáciu medzi listami výkresov v ICD, čím sa zlepšujú pracovné postupy úpravy viacerých listov.
Hlavné prínosy:
- Zrýchľuje navigáciu vo veľkých sadách výkresov.
- Znižuje počet kliknutí myšou a prepínania okien.
- Zvyšuje produktivitu pri opakujúcich sa úlohách úprav.
- Podporuje efektívnu dokumentáciu s viacerými listami.
Nastavenie predvoleného priečinka pre hromadné vytváranie výkresov (BDC)
Popis: Užívatelia teraz môžu definovať predvolenú cestu k adresáru pre hromadné vytváranie výkresov, čím sa eliminuje potreba neustáleho manuálneho listovania požadovaného umiestnenia.
Hlavné prínosy:
- Šetrí čas pri opakovanom generovaní výkresov.
- Znižuje počet chýb pri navigácii a krokov nastavenia.
- Zlepšuje konzistenciu v organizácii súborov.
- Zlepšuje užívateľskú skúsenosť pri veľkoobjemových pracovných postupoch.
Rezový pohľad na základe percenta geometrickej hranice
Popis: Nová možnosť umožňuje užívateľom definovať rezy na základe percenta ohraničujúceho rámčeka (napr. 50 % z hora), namiesto výberu geometrických bodov.
Hlavné prínosy:
- Zjednodušuje vytváranie rezov v šablónach.
- Podporuje konzistentné rozdelenie na viacero častí.
- Ideálne pre pracovné postupy návrhu nábytku a krytov.
- Znižuje počet manuálnych úprav pri hromadnom vytváraní pohľadov.
Presúvanie položiek katalógu ťahaním: Umožnenie úpravy textu po vložení
Popis: Pri kliknutí pravým tlačítkom myši a presunutí textových položiek (napr. Odkazy, čiary, symboly zvarov) z katalógu sa IronCAD teraz automaticky prepne do režimu úpravy textu.
Hlavné prínosy:
- Zrýchľuje umiestňovanie popisov.
- Znižuje počet ďalších kliknutí a manuálnej aktivácie.
- Zlepšuje efektivitu pri opakujúcich sa činnostiach s dokumentáciou.
- Zlepšuje užívateľskú skúsenosť v pracovných postupoch riadených katalógom.
Čiary trasy potrubí v ICD
Popis: IronCAD teraz podporuje kreslenie čiar trás potrubia v ICD na základe 3D komponentov potrubia s možnosťou prepínania viditeľnosti.
Hlavné prínosy:
- Zlepšuje prehľadnosť v dokumentácii potrubia.
- Podporuje presnú vizualizáciu rozloženia a trasy.
- Zlepšuje komunikáciu medzi projekčnými a výrobnými tímami.
- Umožňuje lepšiu kontrolu nad prezentáciou výkresov.
Zobrazenie dĺžky potrubia v kusovníku
Popis: Dĺžky potrubia z 3D modulov potrubia je teraz možné automaticky zahrnúť do kusovníka.
Hlavné prínosy:
- Poskytuje presné odhady materiálu.
- Znižuje manuálne meranie a zadávanie.
- Podporuje automatizované generovanie kusovníka.
- Zlepšuje presnosť obstarávania a plánovania.
Vylepšenia návrhu plechových dielov
Plechové diely IronCADu sú lídrom tohoto odvetvia, čo sa týka jednoduchosti používania a rozsahu funkcií.Verzia 2026 rozširuje funkčnosť o cielené vylepšenia pre tesné rohy a usiluje o podporu ohybov pozdĺž kruhovej trasy.Okrem sa vylepšujú funkcie ohybov podľa náčrtu, kvôli podpore rozšírených požiadaviek odvetvia vlnitých obalov.
Lemy rohov plechových dielov v trojrohových podmienkach
Popis: Pridáva podporu pre uzatváranie rohov plechov s rôznymi dĺžkami strán, čím rieši zložité trojrohové podmienky podobne ako v Inventore.
Prínosy:
- Zjednodušuje návrh plechov pre kryty priemyselných zariadení.
- Znižuje manuálne riešenia pre zložité uzatváranie rohov.
- Zvyšuje presnosť výstupov pri výrobe plechov.
- Definuje IronCAD ako silnú alternatívu k Inventoru.
Invertované ohyby na hranách plechov
Popis:
IronCAD teraz podporuje umiestňovanie invertovaných ohybov priamo na hranu plechových dielov, čo je užitočné pre vlnité obaly a podobné aplikácie.
Hlavné prínosy:
- Rozširuje flexibilitu návrhu obalov a krytov.
- Podporuje zložitejšie geometrie plechov.
- Znižuje potrebu riešení alebo manuálnych úprav.
- Zlepšuje vyrobiteľnosť dielov s tvarovanými hranami.
Presunutie viacnásobných ohybov podľa náčrtu so zachovaním rozstupov
Popis: Užívatelia teraz môžu presunúť viacero vybraných ohybov podľa náčrtu v plechu so zachovaním rozstupov medzi nimi.
Hlavné prínosy:
- Zjednodušuje úpravu vzorovaných ohybov.
- Zachováva zámer návrhu počas úprav.
- Znižuje námahu pri manuálnom premiestňovaní.
- Zlepšuje použiteľnosť pri vlnitých a skladaných návrhov.
Prerušenie čiary ohybu v blízkosti výrezov
Popis: IronCAD teraz podporuje prerušenie čiar ohybu, ktoré sú blízko výrezov, na základe definovaného rozsahu tolerancií.
Hlavné výhody:
- Zabraňuje interferencii medzi ohybmi a výrezmi.
- Zlepšuje presnosť pri generovaní rozvinov.
- Podporuje lepšiu kontrolu nad správaním ohybu.
- Zlepšuje vyrobiteľnosť zložitých plechových dielov.
Čiara rezu ohybu podľa náčrtu začínajúca oblúkom
Popis: Užívatelia teraz môžu definovať čiary rezu ohybu podľa náčrtu, ktoré začínajú oblúkom, nielen rovnými segmentmi.
Hlavné výhody:
- Rozširuje flexibilitu návrhu pre vlastné trasy ohybu.
- Podporuje organickejšie a zakrivenejšie tvary plechov.
- Zlepšuje kompatibilitu s umeleckými a ergonomickými návrhmi.
- Znižuje potrebu obchádzania potrebnej geometrie
Prepísanie globálneho prídavku na ohyb na úrovni dielu
Popis: Užívatelia teraz môžu prepísať nastavenie globálneho prídavku na ohyb na úrovni dielu alebo polotovaru, konkrétne pre načrtnuté ohyby.
Hlavné výhody:
- Poskytuje zacielenú kontrolu nad správaním ohybu.
- Podporuje návrhy so zmiešanými materiálmi alebo viacerými procesmi.
- Zlepšuje presnosť kompenzácie ohybu.
- Zvyšuje flexibilitu pri modelovaní plechových dielov.
Vylepšenia štruktúrovaného návrhu dielov, PMI a 3D kriviek
IronCAD naďalej rozširuje svoje pokročilejšie možnosti, aby mohol ponúkať väčšiu kontrolu a flexibilitu pri používaní štruktúrovaných dielov, PMI a možností 3D kriviek.
3D krivka – Väzna na stredový bod
Popis: Zlepšuje vlastnosti väzieb tým, že podobne ako pri 2D náčrtoch umožňuje užívateľom vybrať 3D krivku a automaticky sa prichytiť k jej stredovému bodu.
Hlavné výhody:
- Zvyšuje konzistenciu medzi 2D a 3D pracovnými postupmi.
- Zjednodušuje vytváranie väzieb v 3D priestore.
- Znižuje hendikep pri modelovaní založenom na krivkách.
- Zvyšuje presnosť geometrických vzťahov
PMI v katalógu
Popis: Bolo vylepšené ukladanie informácií o výrobe produktov (PMI) v katalógoch vrátane tolerancií a popisov.
Hlavné výhody:
- Umožňuje opätovné použitie popísaných komponentov.
- Podporuje pracovné postupy definícií založených na modeli (MBD).
- Znižuje počet opakujúcich sa úloh popisovania.
- Zvyšuje konzistenciu dokumentácie.
Vylepšenia systému
Vylepšenia systému verzie 2026 sú zamerané najmä na migráciu vlastných nastavení, posilnenie funkcií umelej inteligencie pomocou funkcie chatbota s umelou inteligenciou a na rozšírenie možnosti spolupráce pomocou translatorov.
Nástroj na migráciu pre nové verzie
Popis: Prinášame nástroj na migráciu nastavení, ktorý počas inštalácie novej verzie vyzve používateľov na importovanie nastavení, prispôsobení, šablón a katalógov zo starších verzií IronCADu.
Prínosy:
- Uľahčuje prechod na nové verzie pre vývojové tímy.
- Skracuje čas nastavenia pre prispôsobené pracovné postupy.
- Zvyšuje istotu používateľov pri aktualizácii na IronCAD 2026.
- Šetrí čas potrebnej podpory.
Chatbot s umelou inteligenciou podporuje integráciu viacerých databáz pre znalosti v danom odvetví
Popis: Chatbot s umelou inteligenciou od IronCADu integruje viacero databáz zameraných na znalosti špecifické pre dané odvetvie.
Hlavné výhody:
- Poskytuje kontextovú pomoc prispôsobenú potrebám odvetvia.
- Zlepšuje pomoc pri návrhu riadenú umelou inteligenciou.
- Skracuje krivku učenia pre nových užívateľov.
- Podporuje rýchlejšie riešenie problémov a rozhodovanie.
Maximalizácia okna chatbota s umelou inteligenciou
Popis: Pridáva tlačidlo maximalizácie, ktoré rozbalí chatbota s umelou inteligenciou na celú obrazovku pre jednoduchšie čítanie a komunikáciu.
Hlavné výhody:
- Zvyšuje prehľadnosť dlhých odpovedí.
- Zlepšuje použiteľnosť pri podrobných otázkach.
- Podporuje lepšie sústredenie počas zložitých interakcií.
- Zarovnané so štandardným správaním okna.
Zatvoriť všetky dokumenty – Zahŕňa ICC súbory katalógu
Popis: Príkaz „Zavrieť všetko“ teraz zatvára aj otvorené súbory katalógu ICC, čím sa zjednodušuje vyčistenie pracovného priestoru..
Hlavné výhody:
- Zabezpečuje, aby boli všetky zdroje zatvorené naraz.
- Znižuje neporiadok v pracovnom priestore.
- Zlepšuje správu relácií.
- Zlepšuje užívateľskú skúsenosť v pracovných postupoch s veľkým množstvom katalógov.
IronCAD Translator
Popis: V doplnku IronCAD Translator bola rozšírená podpora pre najnovšie formáty niektorých najbežnejších 3D CAD systémov.
Teraz je podporovaný import týchto formátov:
- CATIA V5: V5R8 – V5–6R2025
- Pro/E (CREO): 16 – Creo 12.4
- UG NX: 11 – NX 2506
- Inventor: V11 – V2026
- SolidWorks: 98 – 2025
- SolidEdge: V18 – SE 2025
- JT Import: 8 – 10.2, 10.3, 10.5, 10.6, 10.7, 10.8, 10.9, and 10.10
- IFC: IFC 2x3, IFC 4x2, IFC 4x2, and IFC 4x3
- Rhino: V2-8
- DXF/DWG: 2.5 – 2026
IronCAD Architectural Translator
Doplnok IRONCAD Architectural Translator bol aktualizovaný a podporuje najnovšie verzie súborov.
Zahŕňa tieto formáty:
- IFC Reader/Writer: IFC 2x3, IFC 4x1, IFC 4x2, and IFC 4x3
- Revit Reader/Writer: 2015 to 2025 (write to 2025 only)
- SolidWorks Drawing Reader: 2013-2025
- GLTF Writer: 2.0
IronCAD 2026 sa zameriava na produktivitu, presnosť a užívateľskú skúsenosť inovatívnymi funkciami, vďaka čomu umožňuje návrhárom dosahovať vysokokvalitné výsledky rýchlejšie ako kedykoľvek predtým.